Villeroy & Boch Viconnect Alacsony beépíthető Wc tartály
A robusztus keret és az intelligens nyomólap okos kombinációja: a Villeroy & Boch ViConnect alacsony beépíthető Wc tartály egy masszív keretrendszer, amelyben az öblítő, a szennyvíz és a telepítési elemek diszkréten integrálva vannak. A ProActive+ nyomólap emellett különösen okos és kényelmes öblítést biztosít. Víztakarékos öblítési mennyiség választó nagy vagy kis öblítéshez.
Víztakarékos öblítési mennyiség választó kis vagy nagy öblítéshez. Fehér üvegből vagy rozsdamentes acélból készült nyomólapok. ProActive+ intelligens hozzáadott funkciókkal, mint például az automatikus öblítés, az alkal- mazásvezérlés, valamint az elő- és higiéniai öblítés.
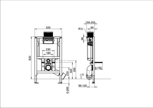
Fali WC-hez, gipszkartonhoz, beépítés tömör fal előtt, könnyű szerkezetű falban, lábak állítási tartománya a nyerspadlótól a kész padló felső széléig: 0-200 mm, Egyszerű összeköttetés a nyomólappal kábelen keresztül forgó-klikkes kapcsolattal, mélységállító elem elülső éle: 155-205 mm, 4 fali rögzítési pont, páralecsapódás ellen védett, süllyesztett öblítőtartály 2-mennyiséges, max. öblítő térfogat 4/7,5 l, gyári beállítás 6/3 l, töltőszeleppel, I-es szerelvénycsoport, R1/2 sarokszelep, Lefolyóív bilincs 4 beállítható pozícióval, PE-WC csatlakozóív DN 90 (Ø 90) építés- védelemmel ellátott, DN 90-es (Ø 90) / DN 100-as (Ø 110) összekötő karmantyúval, WC bekötő készlet DN 90 (Ø 90) / 180 mm, komplett, beépíthető védőkeret ellenőrző nyíláshoz, méretre vágható, kézzel rácsavarható, rugalmas tömlő a töltőszelephez, süllyesztett öblítőtartály minőségjelzése: I-es szerelvénycsoport, 2 fali tartóval, állítható láblapokkal rendelkező öngátló lábakkal és rögzítőanyaggal, 2 db M12-es WC rögzítőcsavar, amely 180/230 mm-ig állítható, védődugóval és anyával, szerelési útmutató, nyomólap nélkül, Csomagolás kartonban
